
| 型號 | Y-40B | Y-50B |
Y-60B Z-60B |
Y-100B Z-100B |
Y-150B Z-150B |
Y-200B | Y-250B |
| 精度等級 | 2.5 | 1.6 1.5 1.0 | 2.5 | ||||
|
測量范圍 MPA |
Y-40B 量程: 0~0.1;0.16;0.25;0.4;0.6;1.0;1.6;2.5;4;6; Y-50B 量程: 0~0.1;0.16;0.25;0.4;0.6;1.0;1.6;2.5;4;6;10;16;25;40; 不銹鋼壓力表量程:0~0.1;0.16;0.25;0.4;0.6;1.0;1.6;2.5;4;6;10;16;25;40;60;100; 不銹鋼真空壓力表量程:-0.1~0;-0.1~0.06;-0.1~0.15;-0.1~0.3;-0.1~0.5;-0.1~0.9;-0.1~1.5;-0.1~2.4 |
||||||
| 接頭螺紋 |
M10*1 G1/8 |
M14×1.5 NPT1/4" G1/4" |
M20X1.5 1/2NPT" G1/2" G3/8" |
||||
| 環境溫度 | -40~70℃ | ||||||
| 環境振動頻率 | 不大于25HZ | ||||||
| 環幅 | 不大于1MM | ||||||

不銹鋼壓力表選型說明:
Y-40B 有徑向與軸向(無邊),沒有電接點形式
Y-50B 有徑向與軸向(無邊),沒有電接點形式
Y-200B 沒有電接點形式
Y-250B 沒有電接點形式
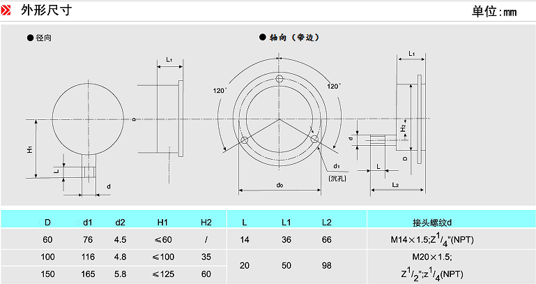
不銹鋼壓力表外形尺寸參考介紹:
不銹鋼壓力表使用與訂貨須知:
(1)全不銹鋼壓力表不適用于外界有氯、硝酸和過氯化氧等強化劑環境。
(2)不銹鋼壓力表外殼需噴涂PTEE聚四氟乙烯涂層時,訂貨時注明。
(3)不銹鋼壓力表接頭螺紋如需特殊要求時請說明。
(4)全不銹鋼壓力表分普通型和耐震型。
(5)訂貨請說明名稱、型號、材質要求及測量上限